Product Summary
The HFBR-2521Z is a fiber optic link component. It includes transmitters, receivers, connectors and cable specified for easy design. The HFBR-2521Z is ideal for solving problems with voltage isolation/insulation, EMI/RFI immunity or data security. The optical link design is simplified by the logic compatible receivers and complete specifications for each component. The applications of the HFBR-2521Z are Reduction of lightning/voltage transient susceptibility, Motor controller triggering, Data communications and local area networks, Electromagnetic Compatibility (EMC) for regulated, Tempest-secure data processing equipment, Isolation in test and measurement instruments, Error free signalling for industrial and manufacturing equipment.
Parametrics
HFBR-2521Z absolute maximum ratings: (1)Storage Temperature:-40 to +85℃; (2)Operating Temperature:-40 to +85℃; (3)Lead Soldering Cycle: Temp.: 260℃, Time:10sec; (4)Forward Input Current:1000mA; (5)Reverse Input Voltage:5V.
Features
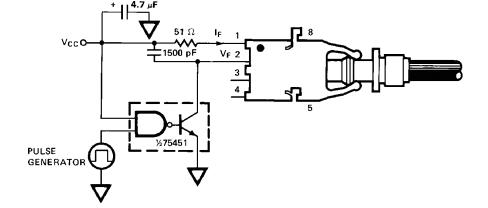
HFBR-2521Z features: (1)Low cost fiber optic components; (2)Enhanced digital links dc-5 MBd; (3)Extended distance links up to 120 m at 40 kBd; (4)Low current link: 6 mA peak supply current; (5)Horizontal and vertical mounting; (6)Interlocking feature; (7)High noise immunity; (8)Easy connectoring Simplex, Duplex, and Latching connectors; (9)Flame retardant; (10)Transmitters incorporate a 660 nm Red LED for easy visibility; (11)Compatible with standard TTL circuitry.
Diagrams

| Image | Part No | Mfg | Description | ![]()  | 
                            Pricing (USD)  | 
                            Quantity | ||||||||||||
|---|---|---|---|---|---|---|---|---|---|---|---|---|---|---|---|---|---|---|
![]()  | 
                            ![]() HFBR-2521Z  | 
                            ![]() Avago Technologies  | 
                            ![]() Fiber Optic Transmitters, Receivers, Transceivers V-LINK HORIZ 5MBd RC VR RoHS  | 
                            ![]() Data Sheet  | 
                            ![]() 
  | 
                            
                            	 | 
                      ||||||||||||
| Image | Part No | Mfg | Description | ![]()  | 
                            Pricing (USD)  | 
                            Quantity | ||||||||||||
![]()  | 
                            ![]() HFBR-0310  | 
                            ![]() Avago Technologies  | 
                            ![]() Fiber Optic Development Tools 155 MBd Txcvr Evaluation Kit  | 
                            ![]() Data Sheet  | 
                            ![]() Negotiable  | 
                            
                            	 | 
                      ||||||||||||
![]()  | 
                            ![]() HFBR-0310Z  | 
                            ![]() Avago Technologies  | 
                            ![]() Fiber Optic Development Tools 125MBd 1300nm Evaluation Kit  | 
                            ![]() Data Sheet  | 
                            ![]() 
  | 
                            
                            	 | 
                      ||||||||||||
![]()  | 
                            ![]() HFBR-0319  | 
                            ![]() Avago Technologies  | 
                            ![]() Fiber Optic Development Tools 1X9 Fiber Optic Evaluation Kit  | 
                            ![]() Data Sheet  | 
                            ![]() 
  | 
                            
                            	 | 
                      ||||||||||||
![]()  | 
                            ![]() HFBR-0400  | 
                            ![]() Avago Technologies  | 
                            ![]() Fiber Optic Development Tools SMA Fiber Optic Evaluation Kit  | 
                            ![]() Data Sheet  | 
                            ![]() Negotiable  | 
                            
                            	 | 
                      ||||||||||||
![]()  | 
                            ![]() HFBR-0410  | 
                            ![]() Avago Technologies  | 
                            ![]() Fiber Optic Development Tools ST Fiber Optic Evaluation Kit  | 
                            ![]() Data Sheet  | 
                            ![]() Negotiable  | 
                            
                            	 | 
                      ||||||||||||
![]()  | 
                            ![]() HFBR-0410Z  | 
                            ![]() Avago Technologies  | 
                            ![]() Fiber Optic Development Tools DC-5MBd 820nm Evaluation Kit  | 
                            ![]() Data Sheet  | 
                            ![]() 
  | 
                            
                            	 | 
                      ||||||||||||
 (China (Mainland)) 
                         
                        
                                    







