Product Summary
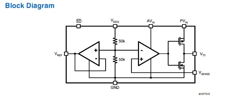
LP2996MX is a DDR Termination Regulator. It is designed to meet the JEDEC SSTL-2 specifications for termination of DDR-SDRAM. The device contains a high-speed operational amplifier to provide excellent response to load transients.
Parametrics
LP2996MX absolute maximum ratings: (1)PVIN, AVIN, VDDQ to GND:-0.3V to +6V; (2)Storage Temp. Range:-65℃ to +150℃; (3)Junction Temperature:150℃; (4)SO-8 Thermal Resistance (θJA):151℃/W; (5)Lead Temperature (Soldering, 10 sec):260℃; (6)ESD Rating:1kV.
Features
LP2996MX features: (1)Source and sink current; (2)Low output voltage offset; (3)No external resistors required; (4)Linear topology; (5)Suspend to Ram (STR) functionality; (6)Low external component count; (7)Thermal Shutdown; (8)Available in SO-8, PSOP-8 or LLP-16 packages.
Diagrams

| Image | Part No | Mfg | Description | ![]() |
Pricing (USD) |
Quantity | ||||||||||||
|---|---|---|---|---|---|---|---|---|---|---|---|---|---|---|---|---|---|---|
![]() |
![]() LP2996MX |
![]() National Semiconductor (TI) |
![]() Low Dropout (LDO) Regulators |
![]() Data Sheet |
![]()
|
|
||||||||||||
![]() |
![]() LP2996MX/NOPB |
![]() National Semiconductor (TI) |
![]() Low Dropout (LDO) Regulators |
![]() Data Sheet |
![]()
|
|
||||||||||||
(China (Mainland))










