Product Summary
The ADXRS610BBGZ is a complete angular rate sensor that uses the analog devices, Inc. surface-micromachining process to create a functionally complete and low cost angular rate sensor integrated with all required electronics on one chip. The applications of the ADXRS610BBGZ include vehicle chassis rollover sensing, inertial measurement units and platform stabilization.
Parametrics
ADXRS610BBGZ absolute maximum ratings: (1)Acceleration(any axis, 0.5ms), unpowered: 2000g; Powered: 2000g; (2)VDD, AVCC: -0.3V to +6.0V; (3)VRATIO: AVCC; (4)ST1, ST2: AVCC; (5)Output short-circuit duration(any pin to common): Indefinite; (6)Operating temperature range: -55°C to +125°C; (7)Storage temperature range: -65°C to +150°C.
Features
ADXRS610BBGZ features: (1)Complete rate gyroscope on a single chip; (2)Z-axis(yaw rate) response; (3)High vibration rejection over wide frequency; (4)2000g powered shock survivability; (5)Ratiometric to referenced supply; (6)5V single-supply operation; (7)105°C operation; (8)Self-test on digital command; (9)Ultrasmall and light(<0.15cc, <0.5gram); (10)Temperature sensor output; (11)RoHS compliant.
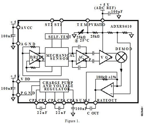
Diagrams

| Image | Part No | Mfg | Description | ![]() |
Pricing (USD) |
Quantity | ||||||
|---|---|---|---|---|---|---|---|---|---|---|---|---|
![]() |
![]() ADXRS610BBGZ |
![]() Analog Devices Inc |
![]() IC SENSOR GYRO 6MV 300D/S 32CBGA |
![]() Data Sheet |
![]()
|
|
||||||
![]() |
![]() ADXRS610BBGZ-RL |
![]() |
![]() IC SENSOR GYRO 6MV 300D/S 32CBGA |
![]() Data Sheet |
![]() Negotiable |
|
||||||
(China (Mainland))










