Product Summary
The BMA150 is a triaxial, low-g acceleration sensor IC with digital output for consumer market applications. It allows measurements of acceleration in perpendicular axes as well as absolute temperature measurement. The applications of the BMA150 include HDD protection, menu scrolling, tap sensing function, gaming, pedometer/step-counting, drop detection for warranty logging, display profile switching, advanced system power management for mobile applications and shock detection.
Parametrics
BMA150 absolute maximum ratings: (1)Supply voltage, VDD and VDDIO: 4.25V; (2)Storage temperature range: -50 to +150°C; (3)EEPROM write cycles: 1000 cycles; (4)Mechanical shock, duration≤100μs: 10000g; duration≤1.0ms: 2000g; free fall onto hard surfaces: 1.5m; (5)ESD, HBM, at any pin: 2kV; CDM: 500V.
Features
BMA150 features: (1)Three-axis accelerometer; (2)Temperature output; (3)Small package; (4)Digital interface; (5)Programmable functionality g-range; (6)Ultra-low power ASIC; (7)Eco-friendly.
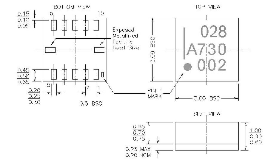
Diagrams

| Image | Part No | Mfg | Description | ![]() |
Pricing (USD) |
Quantity | ||||||||
|---|---|---|---|---|---|---|---|---|---|---|---|---|---|---|
![]() BMA150-SHUTL |
![]() |
![]() BMA150 SHUTTLE BOARD FOR DEV KIT |
![]() Data Sheet |
![]()
|
|
|||||||||
![]() BMA150-TRIBOX |
![]() |
![]() BMA150 TRIBOX DEMO BOARD W/USB |
![]() Data Sheet |
![]() Negotiable |
|
|||||||||
![]() BMA150 |
![]() |
![]() 3-AXIS ACCELEROMETER DIGITAL I/F |
![]() Data Sheet |
![]()
|
|
|||||||||
(China (Mainland))








