Product Summary
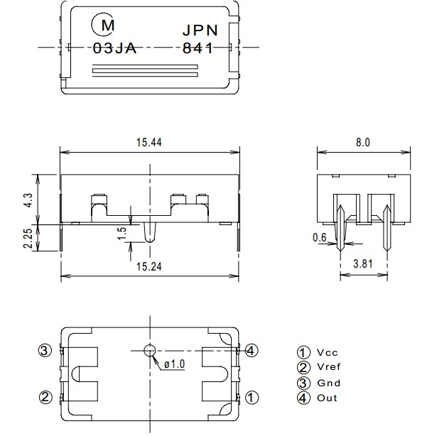
The ENC-03JB is an angular velocity sensor which employs the principle that a Corliolis force results if an angular velocity is applied to a vibrating object. The applications of the ENC-03JB include detecting hand movement involved in video and still camera, detecting vibrations in various vibration free table and isolators, detecting the own movement.
Parametrics
ENC-03JB specifications: (1)Supply voltage, VCC: +5.5VDC; (2)Current consumption, Isup: 4.5mA; (3)Comparative voltage, Vref: +1.45VDC; (4)Static output (Bias), V0: Vref +0.55VDC; (5)Scalr factor, Sv: +20%mV/deg/s; (6)Temp. coefficient of scale factor: +10%FS.
Features
ENC-03JB features: (1)Ultra small and ultra lightweight; (2)Quick response; (3)Low driving voltage, low current consumption; (4)Reliable feature achieved by a built in AGC circuit.
Diagrams

![]() |
![]() ENC-03RC-R |
![]() Murata |
![]() Gyroscopes 50 Hz 5% 5.25volt |
![]() Data Sheet |
![]()
|
|
||||||
![]() |
![]() ENC-03RD-R |
![]() Murata |
![]() Gyroscopes 50 Hz 5% 5.25volt |
![]() Data Sheet |
![]()
|
|
||||||
![]() |
![]() ENC-DA3 |
![]() Other |
![]() |
![]() Data Sheet |
![]() Negotiable |
|
||||||
![]() |
![]() ENC-DATEC-L-BTOR |
![]() Other |
![]() |
![]() Data Sheet |
![]() Negotiable |
|
||||||
![]() |
![]() ENC-DATEC-L-BTRD |
![]() Other |
![]() |
![]() Data Sheet |
![]() Negotiable |
|
||||||
(China (Mainland))








