Product Summary
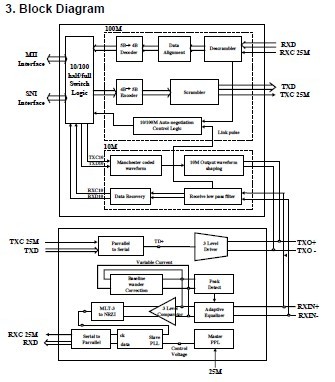
The RTL8201CL is a single-port Phyceiver with an MII (Media Independent Interface)/SNI (Serial Network Interface). The RTL8201CL implements all 10/100M Ethernet Physical-layer functions including the Physical Coding Sublayer (PCS), Physical Medium Attachment (PMA), Twisted Pair Physical Medium Dependent Sublayer (TP-PMD), 10Base-Tx Encoder/Decoder and Twisted Pair Media Access Unit (TPMAU). A PECL interface is supported to connect with an external 100Base-FX fiber optical transceiver. The chip of RTL8201CL is fabricated with an advanced CMOS process to meet low voltage and low power requirements.
Parametrics
RTL8201CL absolute maximum ratings: (1)Supply Voltage: 3.0V to 3.6V; (2)Storage Temp: -55 to 125℃; (3)Vcc: 3.3V; (4)Operating Temperature, TA: 0 to 70℃.
Features
RTL8201CL features: (1)Supports MII/7-wire SNI (Serial Network Interface) interface; (2)Supports 10/100Mbps operation; (3)Supports half/full duplex operation; (4)Support of twisted pair or Fiber mode output; (5)IEEE 802.3/802.3u compliant; (6)Supports IEEE 802.3u clause 28 auto negotiation; (7)Supports power down mode; (8)Supports operation under Link Down Power Saving mode; (9)Supports Base Line Winder (BLW) compensation.
Diagrams

| Image | Part No | Mfg | Description | ![]() |
Pricing (USD) |
Quantity | ||||
|---|---|---|---|---|---|---|---|---|---|---|
![]() |
![]() RTL8201CL |
![]() Other |
![]() |
![]() Data Sheet |
![]() Negotiable |
|
||||
| Image | Part No | Mfg | Description | ![]() |
Pricing (USD) |
Quantity | ||||
![]() |
![]() RTL8019 |
![]() Other |
![]() |
![]() Data Sheet |
![]() Negotiable |
|
||||
![]() |
![]() RTL8019AS |
![]() Other |
![]() |
![]() Data Sheet |
![]() Negotiable |
|
||||
![]() |
![]() RTL8019AS-LF |
![]() Other |
![]() |
![]() Data Sheet |
![]() Negotiable |
|
||||
![]() |
![]() RTL8029AS |
![]() Other |
![]() |
![]() Data Sheet |
![]() Negotiable |
|
||||
![]() |
![]() RTL8100B(L) |
![]() Other |
![]() |
![]() Data Sheet |
![]() Negotiable |
|
||||
![]() |
![]() RTL8100C |
![]() Other |
![]() |
![]() Data Sheet |
![]() Negotiable |
|
||||
(China (Mainland))









