Product Summary
The SAF-C515-L24N is an 8-Bit CMOS Microcontroller. It provides ALE switch-off capability, on-chip emulation support, ROM protection, and slow down mode capability. With a maximum external clock rate of 24MHz, the SAF-C515-L24N achieves a 500ns instruction cycle time (1ms at 12MHz). The SAF-C515-L24N is mounted in a P-MQFP-80 package.
Parametrics
SAF-C515-L24N absolute maximum ratings: (1)Ambient temperature under bias (TA): -40 to 110°C; (2)Storage temperature (Tstg): -65 to 150°C; (3)Voltage on VCC pins with respect to ground (VSS): -0.5V to 6.5V; (4)Voltage on any pin with respect to ground (VSS): -0.5V to VCC +0.5V; (5)Input current on any pin during overload: -10mA to 10mA; (6)Absolute sum of all input currents during overload condition: 100mA; (7)Power dissipation: TBD.
Features
SAF-C515-L24N features: (1)8-bit A/D converter: 8 multiplexed analog inputs; Programmable reference voltages; (2)16-bit watchdog timer; (3)Power saving modes: Idle mode; Slow down mode (can be combined with idle mode); Software power-down mode; (4)12 interrupt sources (7 external, 5 internal) selectable at four priority levels; (5)On-chip emulation support logic (Enhanced Hooks Technology TM); (6)ALE switch-off capability; (7)P-MQFP-80-1 package; (8)Temperature Ranges: TA= -40 to 85°C.
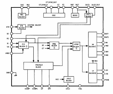
Diagrams

![]() |
![]() SAF-1 |
![]() OK Industries |
![]() Soldering Tools Repl Filter Set 3pcs |
![]() Data Sheet |
![]()
|
|
||||||||||
![]() |
![]() SAF-C161CS-LF CA |
![]() Infineon Technologies |
![]() 16-bit Microcontrollers (MCU) 16BIT ROM/ROMLESS |
![]() Data Sheet |
![]()
|
|
||||||||||
![]() |
![]() SAF-C161JC-LF CA |
![]() Infineon Technologies |
![]() 16-bit Microcontrollers (MCU) 16BIT ROM/ROMLESS |
![]() Data Sheet |
![]() Negotiable |
|
||||||||||
![]() |
![]() SAF-C161JI-LF CA |
![]() Infineon Technologies |
![]() 16-bit Microcontrollers (MCU) 16BIT ROM/ROMLESS |
![]() Data Sheet |
![]() Negotiable |
|
||||||||||
![]() |
![]() SAF-C161K-LM 3V HA |
![]() Infineon Technologies |
![]() 16-bit Microcontrollers (MCU) 16BIT SNGLChip MICRO CONTROLLER 5V |
![]() Data Sheet |
![]()
|
|
||||||||||
![]() |
![]() SAF-C161K-LM HA |
![]() Infineon Technologies |
![]() 16-bit Microcontrollers (MCU) 16BIT SNGLChip MICRO CONTROLLER 5V |
![]() Data Sheet |
![]()
|
|
||||||||||
(China (Mainland))









