Product Summary
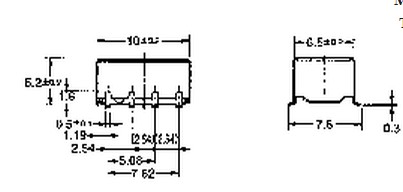
The G6K-2F-Y is a surface-mounting relay with the smallest mounting area and a height of only 5.2mm. The applications of the G6K-2F-Y include telephones, communications equipment, measurement devices, office automation machines, and audio-visual products.
Parametrics
G6K-2F-Y specifications: (1)Rated voltage: 3VDC; (2)Rated current: 33.0mA; (3)Coil resistance: 91Ω; (4)must operate voltage: 80% max. of rated voltage; (5)Must release voltage: 10% min. of rated voltage; (6)Max. voltage: 150% of rated voltage at 23°C to 70°C; (7)Power consumption: Approx. 100mW.
Features
G6K-2F-Y features: (1)Subminiature model as small as 5.2(H)×6.5(W)×10(L)mm is ideal for high-density mounting; (2)Low profile of 5mm and weight of only 0.7g combine to improve mounting efficiency; (3)Models with inside-L surface-mounting terminals are available; (4)Consumes approximately 70% the power of a conventional OMRON model and operates at a current that is as low as 100mW; (5)Surface-moungting terminal models incorporate a unique terminal structure with high infrared irradiation efficiency which allows the terminal temperature to rise easily when mounting the IRS, thus ensuring excellent soldering; (6)Ensures a dielectric strength of 1500VAC and conforms to FCC part 68. (7)New-Y models offer an impulse withstand voltage of 2500V for 2×10μs; (8)Conform to UL1950/CSA C22.2 No.950.
Diagrams

| Image | Part No | Mfg | Description | ![]() |
Pricing (USD) |
Quantity | ||||||||||||||||||
|---|---|---|---|---|---|---|---|---|---|---|---|---|---|---|---|---|---|---|---|---|---|---|---|---|
![]() |
![]() G6K-2F-Y DC5 |
![]() |
![]() RELAY TELECOM DPDT 1A 5V |
![]() Data Sheet |
![]()
|
|
||||||||||||||||||
![]() |
![]() G6K-2F-Y DC6 |
![]() Omron Electronics |
![]() High Frequency / RF Relays Gullwing NoLatch 3.2 DPDT 6VDC 100mW |
![]() Data Sheet |
![]()
|
|
||||||||||||||||||
![]() |
![]() G6K-2F-Y DC9 |
![]() Omron Electronics |
![]() High Frequency / RF Relays Gullwing NoLatch 3.2 DPDT 9VDC 100mW |
![]() Data Sheet |
![]()
|
|
||||||||||||||||||
![]() |
![]() G6K-2F-Y-DC3 |
![]() Omron Electronics |
![]() Low Signal Relays - PCB Gullwing NoLatch 3.2 DPDT 3VDC 100mW |
![]() Data Sheet |
![]()
|
|
||||||||||||||||||
![]() |
![]() G6K-2F-Y-DC5 |
![]() Omron Electronics |
![]() Low Signal Relays - PCB Gullwing NoLatch 3.2 DPDT 5VDC 100mW |
![]() Data Sheet |
![]()
|
|
||||||||||||||||||
![]() |
![]() G6K-2F-Y-TR DC12 |
![]() Omron Electronics |
![]() High Frequency / RF Relays Gullwing NoLatch 3.2 DPDT 12VDC 100mW T/R |
![]() Data Sheet |
![]()
|
|
||||||||||||||||||
![]() |
![]() G6K-2F-Y-TR DC3 |
![]() |
![]() RELAY TELECOM DPDT 1A 3V |
![]() Data Sheet |
![]()
|
|
||||||||||||||||||
![]() |
![]() G6K-2F-Y-TR DC5 |
![]() Omron Electronics |
![]() High Frequency / RF Relays Gullwing NoLatch 3.2 DPDT 5VDC 100mW T/R |
![]() Data Sheet |
![]()
|
|
||||||||||||||||||
(China (Mainland))












