Product Summary
The STK433-330 is a 3-channel class AB audio power IC. It is designed to be used in 80W. The applications of STK433-330 include audio power amplifiers.
Parametrics
STK433-330 absolute maximum ratings: (1)Maximum power supply voltage, VCC max(0): ±54V; (2)Maximum power supply voltage, VCC max(1): ±47V; (3)Minimum operating supply voltage, VCC min: ±10V; (4)Thermal resistance: 2.1°C/W; (5)Junction temperature, Tjmax: 150°C; (6)Operating substrate temperature, Tc max: 125°C; (7)Allowable time for load short-circuit, ts: 0.3s.
Features
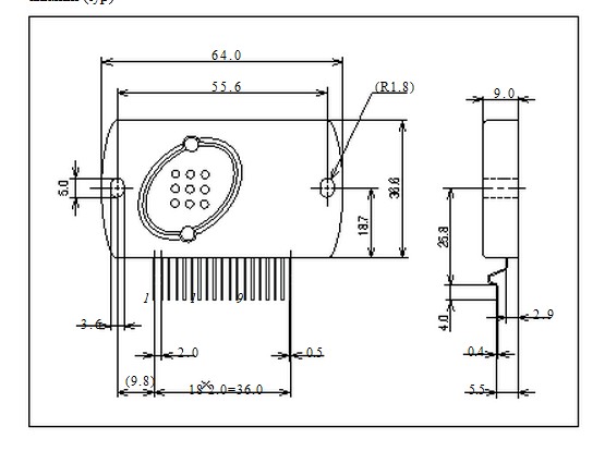
STK433-330 features: (1)Pin-to-pin compatible outputs ranging from 80W to 150W; (2)Miniature package(64.0mm×36.6mm×9.0mm); (3)Output load impedance: RL=6Ω to 4Ω supported; (4)Allowable load shorted time: 0.3 second; (5)Allows the use of predesigned applications for standby and mute circuits.
Diagrams

| Image | Part No | Mfg | Description | ![]()  | 
                            Pricing (USD)  | 
                            Quantity | ||||
|---|---|---|---|---|---|---|---|---|---|---|
![]()  | 
                            ![]() STK433-330-E  | 
                            ![]() Other  | 
                            ![]()  | 
                            ![]() Data Sheet  | 
                            ![]() Negotiable  | 
                            
                            	 | 
                      ||||
| Image | Part No | Mfg | Description | ![]()  | 
                            Pricing (USD)  | 
                            Quantity | ||||
![]()  | 
                            ![]() STK400-010  | 
                            ![]() Other  | 
                            ![]()  | 
                            ![]() Data Sheet  | 
                            ![]() Negotiable  | 
                            
                            	 | 
                      ||||
![]()  | 
                            ![]() STK400-030  | 
                            ![]() Other  | 
                            ![]()  | 
                            ![]() Data Sheet  | 
                            ![]() Negotiable  | 
                            
                            	 | 
                      ||||
![]()  | 
                            ![]() STK400-050  | 
                            ![]() Other  | 
                            ![]()  | 
                            ![]() Data Sheet  | 
                            ![]() Negotiable  | 
                            
                            	 | 
                      ||||
![]()  | 
                            ![]() STK400-060  | 
                            ![]() Other  | 
                            ![]()  | 
                            ![]() Data Sheet  | 
                            ![]() Negotiable  | 
                            
                            	 | 
                      ||||
![]()  | 
                            ![]() STK400-070  | 
                            ![]() Other  | 
                            ![]()  | 
                            ![]() Data Sheet  | 
                            ![]() Negotiable  | 
                            
                            	 | 
                      ||||
![]()  | 
                            ![]() STK400-080  | 
                            ![]() Other  | 
                            ![]()  | 
                            ![]() Data Sheet  | 
                            ![]() Negotiable  | 
                            
                            	 | 
                      ||||
 (China (Mainland)) 
                         
                        
                                    







